株式会社パトライト 公式オンラインショップ



【納期について】
数量:51 以上をご希望の場合は、
お手数ですが別途お問い合わせ願います。


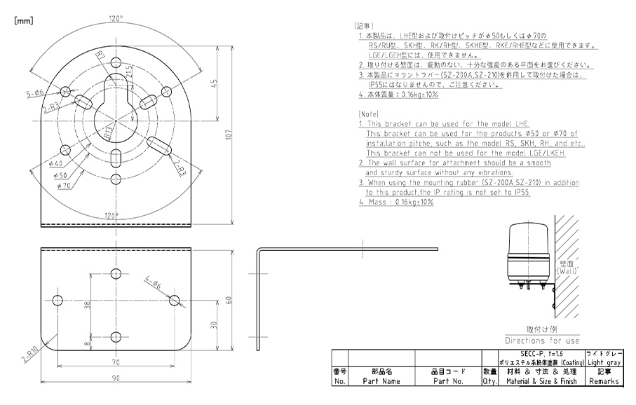
●対応機種:SKS-M1, SKH-M1, SF08-M1J, SF10-M1J, SL08-M1J, SL10-M1J
       および取付ピッチがΦ50,70のタイプ

●材  質:電気亜鉛メッキ鋼板

↑ページトップ↑

壁面への取付けが可能な取付け
ブラケット
SZ-007:
壁面取付ブラケット
(回転灯、表示灯用)

商品番号 SZ-007_
¥ 1,386 税込
型式
  • SZ-007

お問い合わせ

¥1,540円(税込)

  • 特長・仕様
  • 外観図